
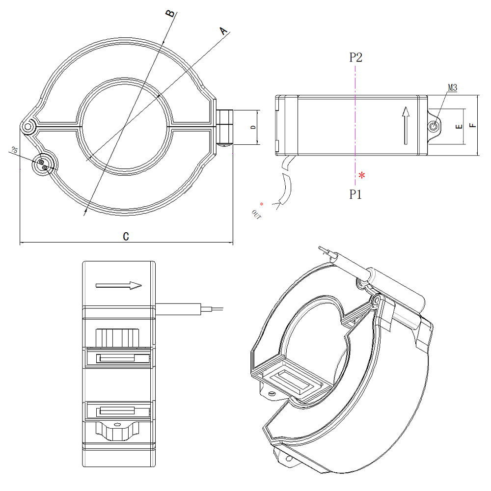
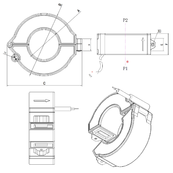
开合式结构,易于现场安装,操作方便。不需断开被测初级电缆即可快速、方便地安装或拆除,有效进行安全、简便的电流测试
量限宽,抗饱和能力强。输入电流范围0~600A
阻燃特性:符合UL94-V0
防护等级:IP66
|
电气 性能 参数 |
工作温度 | -40℃~+70℃ | 相对湿度 | ≤90% |
|---|---|---|---|---|
| 电压等级 | 0.4/0.66/0.72kV | 线性范围 | 5%~120% | |
| 额定输入电流 | 0~600A | 额定频率 | 50/60Hz | |
| 额定负载 | <20Ω | 工频耐压 | 3kV AC/1min | |
| 精度等级 | 0.5级 | 绝缘电阻 | ≥1000MΩ/500V DC | |
|
机械 结构 参数 |
外壳及骨架 | PA/PC阻燃等级94-V0 | 输出方式 | 防水航插/护套线 |
| 铁芯材质 | 硅钢/纳米晶/坡莫合金 | 封灌 | 环氧树脂 | |
| 内部结构 | 防水硅胶密封圈 | 防护等级 | IP65、IP66、IP67 |

硅钢铁芯闭合前,确保切口端面干净,无污渍、无杂质残留;须涂防锈剂处理
紧固螺钉时使用扭力扳手(电动/气动),扭力设定至合理值范围
服务热线:400-086-3003
电话:0728-5353116 5353117
传真:0728-5353121
地址:湖北省天门市经济开发区创业大道8号